35:自作テルミンのアンテナ取り付け一考 2016.10.11
自作テルミンでもワンタッチで着脱できるアンテナを試しました、市販のパーツで製作できます。

アンテナを取り付けた状態 アンテナを取り外した状態
作り方は簡単、Φ5mmのロッドアンテナをDCプラグにハンダ付けするだけです。
受け側はDCジャックを使います。
ロッドアンテナの入手が困難な方にはお分けします。 Φ5mm、長さ.355mm 送料込みで1本\500円定形外郵便になります、ヤマトの着払いでよろしければ@200円です。
34:各種テルミンの発振周波数調整方式とチューニング方式等 2015.11.8
33:eterwaveの夏モード用アンテナ (受注製作) 2015.6.3 32:新型テルミンの特徴は回路方式を記号化すると違いがわかりやすい 31:ピッチアンテナの容量を測る 2014.2.7 30:ミニ・オシロスコープ 2014.1.24 キットは3枚のプリント基板を積み重ねる構造になっています。 29:ミキシング回路で音色変化をさせる実験−3(24)のプリント基板化 2013.4.24 28:負特性のコンデンサーを作りたい 2013.4.9 - 2013.4.20 27:コイルの温度補償 2013.4.9 - 2013.4.14 温度補償コイルのモデル図 26:お手軽ボリュームコントロール 2013.4.9 25:Dual Gate FET を使用したボリュームコントロール(VCA)実験 2013.4.67 24:ミキシング回路で音色変化をさせる実験−3 (音色波形) 2013.4.6 23:ミキシング回路で音色変化をさせる実験−2 (回路図) 2013.4.5 22:ミキシング回路で音色変化をさせる実験−1 2013.4.5 回路図は23項です。 21:テルミンの温度特性(ピッチのドリフト)改善策−2 発振回路のユニット化 2013.4.3 18:ethewaveテルミンの初期ロットと後期ロットの回路解析 頭の体操終わりです。 17:トリマーコンデンサーの温度特性を調べる 16:市販インダクターのスペックに温度特性(温度係数)が表記されていない訳? 写真のようなインダクターの温度特性を調べて見ました。 15:温度変化によるゼロポイントのドリフトの状態はチューニングの仕方によっても変わります。 14:テルミンでは発振器の周波数ドリフトが1000倍に拡大されてピッチのドリフトとなる(概算)。 13:テルミンの発振回路に於けるLとCの値について 12:3台のラジオによるテルミンの動作原理の実験 2013.2.20 詳細はテルミンの製作のページにあります。 11:etherwave テルミン 機能説明(プリント基板) 2013.2.17 10:etherwave テルミン 機能説明(回路図) 2013.2.17 9:テルミン用非接触プローブ (周波数測定用) 2013.2.3 8:基板用エッチング液を電気分解で再生する実験 2013.2.7 7:ウオーターアンテナ water antenna 2012.7.26 6:測定用アンテナ 2012.7.26 非接触でテルミンの発振周波数の測定ができます。 5:市販のインダクターを使用した発振回路 通常高周波コイルの2次巻き線は1次巻き線と同じボビンに巻きます。 4:ether wave 用飾りアンテナ 通常のアンテナと取り換えて使用できます。 3:ピッチ特性測定ツール 2:ゼロポイント調整用のおとも 1:三番目のアンテナ回路
テルミン発信器の周波数調整方式、チューニング方式、アンテナコイルの形状を表にまとめました。
暑くなってくるとゼロポイント調整のできなることがあるらしい、そんなときには少し短いアンテナに取り替えればカバーを開いてコアーを回さなくても良いです。
左の写真 : 短いアンテナに変えるとゼロポイントを短くできます。
右の写真 : スライダーの上下でアンテナの実効長が可変できます。
ご希望の方はお問い合わせください。

右側が純正のアンテナより短いアンテナ 可変アンテナ(オールシーズン使用が可能)
アンテナは周囲の環境とアンテナ表面を電極としたコンデンサーとして作用します、ゼロポイントを短くするにはこのコンデンサーの容量を小さくすれば良いのです。
アンテナの表面積を小さくすると容量は小さくなります、具体的にはアンテナを短くする、または細くするなどが考えられます。
可変アンテナは短くして容量を減らし、スライダーは表面積を部分的に太くして容量を増やします、スライダーの位置を上にするとその効果が大きくなるので微調整が可能になります。
見た目を気にしなければこちらがお勧めです、見た目を気にされる場合は長さを少しづつ短くした2本または3本セットも製作できます。
2方式の新しいテルミンを開発したので記号化して違いを表しました。
1:古典的なヘテロダイン式テルミン(He)の改良したHe++回路。
2:ノンヘテロダイン式テルミンはヘテロダイン回路に依存しないVCO式。
(発音はヘテロダイン回路に依存しないVCO式、従来からあるVCO式はヘテロダイン信号を経てVCOを動作させる)

ピッチ回路に着目して方式毎に縦に読むと次のようになります。
ヘテロダイン式 ⇒ 2:1:He
ヘテロダイン++ ⇒ 2::2::He
ノンヘテロダイン ⇒ 1:1:VCO
ゼロポイント時に等価な容量を測る例
ミニバリコンを用意してアンテナコネクターとアンテナコイルの配線をはずす。
ミニバリコンをアンテナコイルとアース間に接続してゼロポイントとなるようにミニバリコンを調整する。
ミニバリコンの容量が解っていれば目分量で大よその容量が解ります。
詳しく知りたいときはミニバリコンをはずしてインピーダンスメーターで測定します。

写真は5PFののミニバリコンを2ヶ使用しています。
インピーダンスメータで7PFほどでした、近くに物があったので大き目の値になったと思われます。
演奏時は手がアンテナに近づくので数PF増加すると思われます。
テスター並みの価格で買えるオシロスコープキット
キットは秋月で¥4,700で購入できます。
波形表示の他に周波数の表示もできるのでテルミン製作にも充分使えそうです。

細かい部品は取り付け済みでケミコンやスイッチなどを半田付けすれば完成します。
一番上の基板は化粧パネルとしてシルク印刷されています、部品の取り付けはありません。
一番下の基板は保護用のカバーでここにも部品はありません。
ケースに組み込んだミニ・オシロの外観

キットの側面は4面ともカバーがなくカットした部品のリードなどが入るといけないのでケースに入れました。
ACアダプターも内蔵し、オシロ用のプローブが使用できるようにBNCコネクターも取り付けてあります。
Theremin mixer circuit that can be of variable tone

ミキシング回路で音色変化を加える回路
Seeking a condenser of negative characteristic

テルミンのピッチを安定にするには発振周波数を安定にしなければなりません。
ほとんどのコイルは正の温度係数なので負特性のコイルと組み合わせると効果があります。
コンデンサーもほとんどのものは正の温度特性ですがセラミック系の物に負特性の物があります。
しかし店頭在庫ではまず見つかりません。
メーカーにまとまった数で注文しなければならないのでチョット試そうとしてもすぐには無理です。
以外に身近なものから見つかりました。
写真左は同軸ケーブル、右はゴム板です。
1.同軸ケーブル(多分1.5D-2E)1.1m
約120PFあります、丸めておいてドライヤーで暖めると容量が小さくなります。
2.ゴム板(シート)
両面に12×30mmの銅箔テープを貼りコンデンサーとします。
シートの厚みにより約30PFと16PFが得られました、こちらも負特性を示し大成功です。
これで1PF以下のコンデンサーを作ろうとしています。
この二つを有効に使って次なる製作に応用できそうです。
Temperature compensation of the coil
一番単純な空芯単層コイルを例にあげます。
コイルのインダクタンスは温度が高くなるとコイルの巻き線が熱膨張することによって大きくなります。
ほとんどのコアー入りのコイルでも温度が高くなるとインダクタンスは大きくなります。
子供用テルミンのアンテナコイルへの組み込み例
今回はコアー入りコイルの横にスペーサーを挟んでコアー入りコイルを並べる(コアーだけでも良い)ことで温度補償をしようとしています。
温度が上がるとスペーサーが僅かに膨張しての厚みが増える。
このためコイルの間隔(またはコイルとコアーの間隔)が僅かに広くなるので時期抵抗が僅かに下がることでインダクタンスが僅かに小さくなる。
さらにコイルを2つ並べた時は接続の仕方で相互インピーダンスも減少する方向に作用します。
スペーサーの材質、厚みを選ぶと効果が変わります。
身近にある材質のスペーサーでの補償効果は温度係数をゼロや負にするほどにはなりませんがなにがしかの効果は期待できるでしょう。

with DC volum cntrol amp
簡単に2アンテナテルミンを作りたい方にお勧めの方法があります。
VCAが内蔵された小型のパワーアンプがあります。
TDA7052xの場合は1W程度のアンプ、出力の大きいTDA7056などもあります.
製作例は:
テルミンの製作レポート =.> (36)、(39)。
Report of DIY theremin => (36),(39)
演奏VIDEOは:”walking theremin”で検索すると歩きながらの演奏が見つかります。

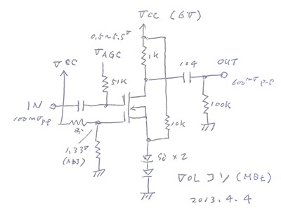
乾電池動作のテルミン用としてVOLコン回路の低電圧化を図りました。
Dual Gate FET の使用で低電圧(6V)で動作するVOLコン(VCA)となりました。
etherwaveでも使用されているOTA(LM13700など)を使うと電源電圧は±12V必要です。
使用電圧の低いOTAでも10V〜12V必要のようです。
Theremin mixer circuit that can be of variable tone.

拡大
中央はヘテロダインの波形(基本の波形)、以下の4つのつまみで音色を連続可変できます。
TILT :波形を傾斜させる。
SHARP::波形を尖らせる。
BIAS :G1,G2のバイアス電圧。
各つまみを組み合わせて音色の設定ができます。
矩形波にする等の過度な加工はできません。
Experiment-2 to change the tone in the mixing circuit (schematic).

4ヶのVRで音色の調整をします。
アンプやダイオードで波形を歪ませる方法とは違った効果が得られます。
・サイン波状の波形を傾斜させる。
・サイン波状の波形を尖らせる。
・サイン波状の波形の斜面に段を付ける。
・他
Experimental -1 to change the tone in the mixing circuit (at breadboard).

左側の上と下:発振回路の、 右側:ミキシング回路、判固定抵抗(4ヶ)は音色調整用。
Dual Gate FET を使ったミキシング回路の特性を調べたら音色変化も可能になりました。
音色変化は、 @音を傾ける、A段を付ける、B尖らせる、他・・ がVR調整で可能です。

発振回路のプリント基板の配線(パターン)にもストレー(浮遊)容量が生じて発振周波数に影響をしています。
プリント基板上の二つの発振回路のストレー(浮遊)容量を同じにするためにユニット化しました。
温度係数と定数のバランスが取れるように複数のコンデンサーを組み合わせます。
20:テルミンの温度特性(ピッチのドリフト)改善策−1 部品の選定と選別 2013.4.3

大雑把にはインダクター(コイル)の温度係数は+、コンデンサーの場合もほとんどは+です。
これらを組み合わせると温度が高くなると発振周波数は低くなります。
温度保証型セラミックコンデンサーというのがあり温度係数が0から30、-80、-150、-220、・・などがあります。
+と−を上手くコイルと組み合わせるとピッチのドリフトを少なくできる可能性があります。
温度係数が違う複数の部品を組み合せて実験しようとしています。
発振回路に使用するコイルとコンデンサーはLCRメータで実測して0.2%〜0.5%以下のバラつきとなるようにペアー品を揃えます。
19:Dual Gate FET 2013.4.3

Dual Gate FET はMIX回路やVOLコントロール回路に使用できます。
FETの型番が2SK**と2桁の頃にはユニバーサル基板に直接挿入して使用できましたが現在は入手困難になりました。
写真左側のチップ型はまだ製造されています。
米粒よりも小さく端子間隔が1.3mmと小さいので変換基板を作りました。
8pinのDIPソケットで使用できます。
これでブレッドボードやユニバーサル基板で回路が組めます。
etherwaveテルミンについて次のようなことを耳にします。
・初期のモデルはアンテナコイルが4ヶあるが新しいのでは3ヶになっている。
・自分のは温度変化によるゼロポイントのズレが大きい。
・夏場にゼロポイントが居なくなる?、など・・。
頭の体操がてらに解析をしました
。
コイルが4ヶか3ヶは開けて見ればすぐに解ります。
正確な情報では無いですが10年位前から弾いている方のテルミンには4ヶ付いているようです。
6年位前に買った私のは3ヶです@。
3、4年位前に購入された知り合いAは私のetherwavethereminの方がずっと安定だと言っています。
回路図はmoog社のホームページからダウンロードできます。
”UNDERSTANDING, CUSTOMIZING, ANDHOT-RODDING YOUR ETHERWAVE R THEREMIN”で検索すると見つかります。
4Pに回路図があります。
私のテルミン@のプリント基板と回路図の左上から右下までと一つずつ部品を照合しました。
部品番号と各定数は回路図と同じでした。
次の3ヶ所が違っていました。
・P側のアンテナコイルが4ヶから3ヶになっている
・VOL側のアンテナコイルが4ヶから3ヶになっている
・Q9が追加されている
さて、Q9の働きは?、と回路を追いかけるとQ5(PITCH TYNING)回路のアース側にダイオード接続のように接続されています。
ピッチ回路の温度補償をしているのでは?と思われます。
AはPLUS使用なのでここは除外して、@とAを見比べましたが部品の数に違いはなさそうですが部品のレイアウトは変更されていました。
ドリフトが大きいのは回路が違うのではなく他に違いがあるものと思われました。
左からフイルムトリマー(通称フィリップス型?)65PF,100PF、180PF、セラミックトリマー、ラジオ用バリコン
フイルムトリマーは温度係数がメーカーの資料に出ています、0±350 PPM とか0±350 PPMなど容量とか型毎に出ています。
最大要領の時は実測値でも大きくは違わないでこの範囲にありました。
しかしこの値は中間の容量の時はスペックの値とは違うようでした。
それでも次のセラミックトリマーと比べれば格段に良い特性で大げさに言えば1/10位の値になります。
次の黄色いのがセラミックトリマーになります。
メーカー仕様では1200±500 PPMと出ていました。
安定度を望む時には使いたくないです。
右端はラジオ用のバリコンです。
パーツやさんで購入できますが国産のものは無く海外製で詳しい仕様は不明です。
温度特性は写真の中では一番良いデーターが出ました。
概ねこれまで想像していたような結果でした。

これまでは漠然と同じシリーズ内ならば同じ温度特性なのかな?、などと想像していました。
実際に使って見て気になる点があったので調べました。
sample-3(320uH-S):225ppm
sample-4(330uH-S):198ppm
sample-5(3.3mH-S):117ppm
テルミン用にとストックしたインダクターの温度特製を測定しました。
このシリーズの場合はインダクタンスの値によって特性が違っていました。
良く考えて見ればコアーに巻く回数によって自足の通り方も変わってくるのでこうなるのでしょうか?。
これはインダクターの構造によるもので、全てのインダクターがこのような特性になっているのではないでしょう。
結果を眺めていて負の温度係数をもつコンデンサーと同じ位の数値のインダクターを組み合わせて発振器を組み立てれば良いかも知れません。
アンテナコイルには低音域と高音域のピッチ特性の差を少なくする効果があります。
発振器の温度ドリフトがないと仮定しても、アンテナコイルは温度変化でインダクタンスが変化します。
このためゼロポイント(ZP)がドリフトします。
ピッチ特性を強く補正したテルミンの方がZPのドリフトは大きくなります。
従って控えめにピッチ補正すればZPのドリフトは少なくなります。
弾き易さを優先したい場合はそのまま我慢して使います。
あまりにもZPのドリフトがひどい場合はピッチ特性を少し犠牲にしてZPの安定化を図ることが可能です。
この調整をする時周波数カウンターが必要になります。
@アンテナコイルのインダクタンスを小さくすれば良いですが交換できない時は次の方法があります。
A元に戻したい時のために調整する前の固定発振器の発振周波数を記録しておきます。
二つの発振器の発振周波数を同じ方向に少し平行移動します。
様子を見ながら慎重に行ってください。
テルミンはヘテロダインで発音しているから二つの発振器があります。
あるテルミンの動作周波数は約280KHzです。
アバウトな説明なので300KHzとして説明を進めます。
温度変動で発振周波数が10Hzドリフトしたとします。
300KHzに対して10Hは0.0033%@になります。
実際の発音もヘテロダインだから10Hzのドリフトです。
一方テルミンは二つの高周波からヘテロダインによっておよそ100Hz〜3KHzを発音させています。
発音周波数に対する比は10/100〜10/3000(Hz)。
中間の300Hzで発音中だとすると 10/300(Hz)なので 0.03 又は3.3%Aとなります。
A/@=3.3/0.0033=1000
発振器のドリフト@がヘテロダインで発音すると1000倍のAのドリフトになります。
だから良質の部品を使用するとともに二つの発振器のバランスが重要になります。
LとCの積が同じであれば発振周波数は同じであるので組合せは方は無限にあります。
それならば適当に決めらば良いのか?。
そうではありません、選び方で相反する効果や弱点が出ます。
あるテルミンは約280KHzで発振しています。
この場合はコイルに1μHとか10μHを使う人は多分いないでしょう。
また10mHとか100mHを使う人もいないでしょう。
それ程深く考えないでも数10μH〜数mHの範囲から選ぶと思われます。
それでも1:1000程の選択肢があります。
選ぶ時のポイント?、例えば。
発振し易さ:L/Cの値が大きい方が簡単に発振します、値が小さすぎると発振しにくくなります。
音域の広さ:演奏時のアンテナと手の間の容量変化は数PFなのでL/Cの値が大きい方が発音範囲を広くし易くなります。
但し広ければ良い訳ではありません。
弾き易さ:むやみに発音範囲が広いと小さな手の動きで大幅に音程が変わるので弾き難くなります。
教室で習う弾き方で弾き易くするにはそれに適した値があります。
温度に対する安定度:一般にCよりもLの方が温度特製が悪いのでL/Cは小さい方が有利と思われます。
その他 ・ ・ ・。
つまり、こちらを立てればあちらが立たずなので弾き易さ、安定度などから妥協点を探すのかなと考えています。
まあー、固いことは言わず・・、以上を考慮したのであれば最終的には作者の好みで決めれば良いのでは ・ ・ 。



左:測定中の 右:測定波形の例

オシロスコープにつないで発振回路のコイルに近付けて使用します。
発振周波数はほとんど変化しません。

エッチングして溶けた銅を電気分解して電極を銅でメッキできればエッチング液の再生ができるのではと考え10数年前に実験をしています。
この時は小さな容器に数10ccの液で長さ4cm位の釘数本に電線を巻いて電極にしました。
電極に尖ったトゲみたいに銅が沢山生えていたので、規模を大きくすればエッチング液の再生は可能であると思われました。
今回は液の量を1リットルで実験しています。
電極は3/8インチのねじ部分を電極にしています。
上端に3Φの穴を開けリード線をビス止めしてあります。
木棒に電極を吊り下げリード線部分が液につかないようにセットしてあります。
実験を始めて2週間ほどになりますがなかなか反応が進みませんでした。
4日に見た時は小さなとげとげが少し付いていただけです。
この時に写真を撮らなかったのが残念です。
これは7日12時頃の写真です(左は部分拡大)。
2,3日の間に急激に成長してきました。
大成功かもしれません!。

水柱の高さでゼロポイントの調整ができます。
テルミンのアンテナは金属の棒と相場が決まっているようですが、ウ オーター・アンテナは樹脂パイプ内の水柱を導体にしたアンテナです。
通常のアンテナと取り換えて使用できます。
通常のアンテナと同じ構造で簡単に取り換えて使用できます。
使用時は上部のキャップを外して透明パイプ内にスポイトで必要量の水を入れます。


アンテナから離れた位置の電界強度の比較もできます。
今回は既製品のコイルをそのまま下図右側のように近接して並べて発振させています。


ゼロポイントの微調整も可能です。
マスコット(ぬいぐるみ、あみぐるみetc)を乗せるだけです。
子供向けイベントなどに如何でしょうか?。

上はアンテナコイルによるピッチ特性の均等化を示すグラフ
左はツールの一部分
測定原理
左のスケール上で手を移動するたびに距離と発音周波数を調べグラフ 上にプロットする。
実際には周波数が絶えず変動して周波数を読み取ることができないのでツールにより読みやすくしてあります。
グラフ化することで客観的に特性の把握(比較)ができます。

ゼロポイントを調整してカバーを乗せるとずれてしまう時の小道具です。
調整前の立ち位置、ピッチつまみのPOSなどをメモします。
カバーを外してメモと同じ状態になるようにクリップの位置を合わる。
ゼロポイントを調整する。
カバーを閉めてもクリップを外せばカバーを閉める前とゼロポインとはほとんど変わりません。
クリップの位置が高いほどゼロポイントが長くなります。

温度変化によるゼロポイントズレを軽減する解説図
2−アンテナテルミンに3つ目のアンテナ回路を装備すると、テルミン の発振回路がフルバランス化されゼロポイントのドリフトを低減する効 果 があります。
(2011年3月 PAT.取得)
更に詳しい説明 => テルミンの製作レポート の(23)(26)へ。
SNS
twitter : @diy_theremin
facebook:西川 克巳
mixi:テルミン(mb-labo)
お問い合わせは
【連絡先 E-mail】